Roomster 5J7 (2010-2015) defekt bøsning i hjulophæng???
-
Roomster12TSI
- Helt nyt medlem
- Indlæg: 82
- Tilmeldt: 6. jul 2022, 13:53
- Geografisk region: København
- VCDS ejer: Nej
- Has thanked: 40 times
- Been thanked: 19 times
Roomster 5J7 (2010-2015) defekt bøsning i hjulophæng???
Skoda Roomster 5J7 (2010-2015). Flere VAG modeler er konstrueret på samme platform og med samme hjulophæng.
Min Roomster havde denne fejl ved periodesyn I torsdags:
5.3.4.A.V Bøsning, i forhjulsophæng defekt - højre
Jeg antager at det er bøsning i bærearm/control arm, som fejl-koden refererer til. Det var i det mindset den, som synmanden ved FDM Bilsyn udpegede (kan kun varmt anbefale FDM bilsyn... trods de 100-200 kr højere pris/syn i forhold til de "gule kvantitets synshaller". Hos FDM får man et grundigt ærligt syn, plus evt. rådgivning "off the books" og så et billigt omsyn, såfremt sådan er nødvendigt). Derfor så skal enten hele bærearm skiftes eller en eller begge bøsninger i højre side. Den bøsning som gav fejlen var #11 jf. denne manual:
https://workshop-manuals.com/skoda/fabi ... (as_of_cw/
Også illustretet jf. fig. S40-0389 + S40-390
I denne manual:
https://workshop-manuals.com/skoda/fabi ... 12_2008)/
Spørgsmål er så...
1) hvilket reservedelsnummer har den omtalte bøsning
2) og er det besværet værd, at udskifte Kun en (el. begge) bøsning(er) vs. køb af nye bærearme med allerede monterede bøsninger?
3) burde DER udskiftes i både højre OG venstre side samtidigt?
Min Roomster havde denne fejl ved periodesyn I torsdags:
5.3.4.A.V Bøsning, i forhjulsophæng defekt - højre
Jeg antager at det er bøsning i bærearm/control arm, som fejl-koden refererer til. Det var i det mindset den, som synmanden ved FDM Bilsyn udpegede (kan kun varmt anbefale FDM bilsyn... trods de 100-200 kr højere pris/syn i forhold til de "gule kvantitets synshaller". Hos FDM får man et grundigt ærligt syn, plus evt. rådgivning "off the books" og så et billigt omsyn, såfremt sådan er nødvendigt). Derfor så skal enten hele bærearm skiftes eller en eller begge bøsninger i højre side. Den bøsning som gav fejlen var #11 jf. denne manual:
https://workshop-manuals.com/skoda/fabi ... (as_of_cw/
Også illustretet jf. fig. S40-0389 + S40-390
I denne manual:
https://workshop-manuals.com/skoda/fabi ... 12_2008)/
Spørgsmål er så...
1) hvilket reservedelsnummer har den omtalte bøsning
2) og er det besværet værd, at udskifte Kun en (el. begge) bøsning(er) vs. køb af nye bærearme med allerede monterede bøsninger?
3) burde DER udskiftes i både højre OG venstre side samtidigt?
Senest rettet af Roomster12TSI 30. aug 2025, 14:28, rettet i alt 2 gange.
- Henrik2800
- Aktiv medlem
- Indlæg: 1736
- Tilmeldt: 19. jul 2011, 14:07
- Geografisk region: København
- VCDS ejer: Nej
- Has thanked: 51 times
- Been thanked: 305 times
Re: Roomster 5J (2010-2015) defekt bøsning i hjulophæng???
Formentlig er det gummiet i den lodrette bøsning som er træt.
Trætte gummibøsninger giver også sporingsfejl, og der af følgende større dækslid.
Det er ikke så dyrt at skifte hele bærearmen.
Skift i begge sider, hvis du vil beholde bilen nogle år.
Jeg købt 2 stk. "Meyle" bærearme (højre/venstre) fra Tyskland, og skiftede dem selv.
Det var rimelig nemt, bortset fra en bolt som var ret rusten i gevindet.
Du kan finde reservedele ud fra dit registreringsnummer, eller stelnummer, på carpardoo.dk eller Autodoc.dk
Ca. 550 kr/stk uden bærekugle, og ca. 600 kr/stk med bærekugle, så i alt 1.100 - 1.200 kr. for skift i begge sider.
Trætte gummibøsninger giver også sporingsfejl, og der af følgende større dækslid.
Det er ikke så dyrt at skifte hele bærearmen.
Skift i begge sider, hvis du vil beholde bilen nogle år.
Jeg købt 2 stk. "Meyle" bærearme (højre/venstre) fra Tyskland, og skiftede dem selv.
Det var rimelig nemt, bortset fra en bolt som var ret rusten i gevindet.
Du kan finde reservedele ud fra dit registreringsnummer, eller stelnummer, på carpardoo.dk eller Autodoc.dk
Ca. 550 kr/stk uden bærekugle, og ca. 600 kr/stk med bærekugle, så i alt 1.100 - 1.200 kr. for skift i begge sider.
- These users thanked the author Henrik2800 for the post:
- Roomster12TSI
VW Caddy 1.2 TSI, 2011.
- norn
- Meget aktiv medlem
- Indlæg: 7846
- Tilmeldt: 13. jun 2008, 15:58
- Geografisk region: Sønderjylland
- VCDS ejer: Ja
- Geografisk sted: blans - sønderborg
- Has thanked: 7 times
- Been thanked: 212 times
Re: Roomster 5J7 (2010-2015) defekt bøsning i hjulophæng???
Nu er jeg da på ingen måde roomster ekspert….. men kører den med den type bærearm…..????
Den viste bærearm ligner noget fra en gammel golf
Den viste bærearm ligner noget fra en gammel golf
på job: VOLVO FH16 750
til hverdag: ALTEA 2,0 TDI DSG
om søndagen: T-ROC 2,0TDI DSG
til hverdag: ALTEA 2,0 TDI DSG
om søndagen: T-ROC 2,0TDI DSG
- Henrik2800
- Aktiv medlem
- Indlæg: 1736
- Tilmeldt: 19. jul 2011, 14:07
- Geografisk region: København
- VCDS ejer: Nej
- Has thanked: 51 times
- Been thanked: 305 times
Re: Roomster 5J7 (2010-2015) defekt bøsning i hjulophæng???
Iflg. reservedelsoversigter så bruges typen på Roomster, Polo, Octavia, Superb og Caddy.
Roomster variaten passer også på en Polo.
Den er ikke en særlig god konstruktion, da der er vrid i den lodrette gummebøsning.
Priserne jeg skrev tidligere er for Caddy variaten.
Til Roomster koster en bærearm kun ca. 400 kr. (uden bærekugle)
Carpardoo har pt. 10% velkomst rabat, som ca. 360 kr. er muligt.
VW Caddy 1.2 TSI, 2011.
-
Roomster12TSI
- Helt nyt medlem
- Indlæg: 82
- Tilmeldt: 6. jul 2022, 13:53
- Geografisk region: København
- VCDS ejer: Nej
- Has thanked: 40 times
- Been thanked: 19 times
Re: Roomster 5J7 (2010-2015) defekt bøsning i hjulophæng???

Nu har Jeg købt dette sæt... og selvfølgelig skal der bruges specialværktøj til inderste kugleled på styrestangen...
Er der nogen som kan anbefale sådan tool eller har et sådan tool, som jeg må låne (Jeg bor 2830)?
- Vedhæftede filer
-
- Screenshot_20250908-174456~2.png (371.6 KiB) Vist 373 gange
-
Roomster12TSI
- Helt nyt medlem
- Indlæg: 82
- Tilmeldt: 6. jul 2022, 13:53
- Geografisk region: København
- VCDS ejer: Nej
- Has thanked: 40 times
- Been thanked: 19 times
Re: Roomster 5J7 (2010-2015) defekt bøsning i hjulophæng???

20 Nm for styrestangens fæste til axel (18+19)
40 Nm for stabilisator stangens fæste til forhjuls-støddæmper/fjeder (25+26)
https://workshop-manuals.com/skoda/fa ... _fs-iil/
- Vedhæftede filer
-
- fabia-mk2-105.png (139.55 KiB) Vist 332 gange
Senest rettet af Roomster12TSI 9. sep 2025, 13:38, rettet i alt 2 gange.
-
Roomster12TSI
- Helt nyt medlem
- Indlæg: 82
- Tilmeldt: 6. jul 2022, 13:53
- Geografisk region: København
- VCDS ejer: Nej
- Has thanked: 40 times
- Been thanked: 19 times
Re: Roomster 5J7 (2010-2015) defekt bøsning i hjulophæng???
40 Nm Moment stramning af stabilisator stang (3+7)
70 Nm moment stramning af kontrolarm til forbro/undervogn (10/17+22)
20 Nm moment stramning af control armens kugleled til axel (14)

https://workshop-manuals.com/skoda/fab ... as_of_cw/
70 Nm moment stramning af kontrolarm til forbro/undervogn (10/17+22)
20 Nm moment stramning af control armens kugleled til axel (14)

https://workshop-manuals.com/skoda/fab ... as_of_cw/
- Vedhæftede filer
-
- fabia-mk2-47.png (151.25 KiB) Vist 330 gange
-
Roomster12TSI
- Helt nyt medlem
- Indlæg: 82
- Tilmeldt: 6. jul 2022, 13:53
- Geografisk region: København
- VCDS ejer: Nej
- Has thanked: 40 times
- Been thanked: 19 times
Re: Roomster 5J7 (2010-2015) defekt bøsning i hjulophæng???
Jf. overståen figur S40-0381 ... 14+15...
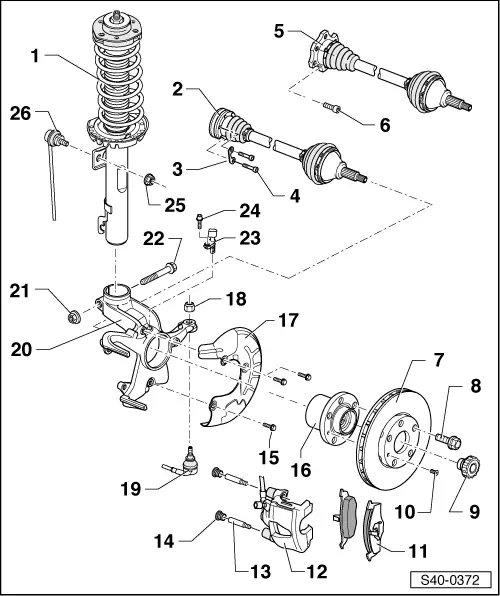
Hvordan moment-spændes møtrik (14) med modhold i gevindstykket på kugleled (15) ... Dette UDEN at afmontere hjulleje-huset (20 på figur S40-372) via den store axel-møtrix (9 på figur S40-372)??

Altså montentet for 14 på 15 (figur S40-0381) er Kun 20 Nm, så det er gjort uden modhold på 15 via 'gefühl' men er der andre måder at gøre det korrekt UDEN afmontering af hjullejehuset?
Hvordan moment-spændes møtrik (14) med modhold i gevindstykket på kugleled (15) ... Dette UDEN at afmontere hjulleje-huset (20 på figur S40-372) via den store axel-møtrix (9 på figur S40-372)??

Altså montentet for 14 på 15 (figur S40-0381) er Kun 20 Nm, så det er gjort uden modhold på 15 via 'gefühl' men er der andre måder at gøre det korrekt UDEN afmontering af hjullejehuset?
- Vedhæftede filer
-
- GridArt_20250911_152444878.jpg (1.89 MiB) Vist 270 gange
- Henrik2800
- Aktiv medlem
- Indlæg: 1736
- Tilmeldt: 19. jul 2011, 14:07
- Geografisk region: København
- VCDS ejer: Nej
- Has thanked: 51 times
- Been thanked: 305 times
Re: Roomster 5J7 (2010-2015) defekt bøsning i hjulophæng???
Hvis man trykker konus sammen, så bør modhold ikke være nødvendig.
Håndmoment bør være OK
Ellers finder momentnøgle med gaffelhoved.

Håndmoment bør være OK
Ellers finder momentnøgle med gaffelhoved.

- These users thanked the author Henrik2800 for the post:
- Roomster12TSI
VW Caddy 1.2 TSI, 2011.
-
Roomster12TSI
- Helt nyt medlem
- Indlæg: 82
- Tilmeldt: 6. jul 2022, 13:53
- Geografisk region: København
- VCDS ejer: Nej
- Has thanked: 40 times
- Been thanked: 19 times
Re: Roomster 5J7 (2010-2015) defekt bøsning i hjulophæng???
Jeg tror også der findes nogle gaffel-forsats med 1/4", 3/8" el. 1/2" firkant-hul, som kan monteres på " alm." moment-nøgle-firkant-skralde...Henrik2800 skrev: ↑11. sep 2025, 14:46Hvis man trykker konus sammen, så bør modhold ikke være nødvendig.
Håndmoment bør være OK![]()
Ellers finder momentnøgle med gaffelhoved.
![]()
Nu fx den gevind-studs, som kugleledet fastmonteres via. Den ca. ~50 mm gevindstang har et TX30-bithul... således må det jo alt andet lige antages at producenten havde forestillet sig at modhold skulle være via dette TX30-bithul. Hvis ikke, hvad skulle sådan TX30-bithul benyttes til?
-
Nicklossi
- Aktiv medlem
- Indlæg: 3397
- Tilmeldt: 28. apr 2014, 19:27
- Geografisk region: Fyn
- VCDS ejer: Nej
- Has thanked: 91 times
- Been thanked: 757 times
Re: Roomster 5J7 (2010-2015) defekt bøsning i hjulophæng???
Det er til modhold, men det betyder ikke alverden om den får det korrekte moment eller ej, bare det er spændt.Roomster12TSI skrev: ↑14. sep 2025, 15:37Jeg tror også der findes nogle gaffel-forsats med 1/4", 3/8" el. 1/2" firkant-hul, som kan monteres på " alm." moment-nøgle-firkant-skralde...
Nu fx den gevind-studs, som kugleledet fastmonteres via. Den ca. ~50 mm gevindstang har et TX30-bithul... således må det jo alt andet lige antages at producenten havde forestillet sig at modhold skulle være via dette TX30-bithul. Hvis ikke, hvad skulle sådan TX30-bithul benyttes til?
Møtrikken skal blot sørge for at konussen sidder i sædet og ikke hopper ud.