Passat 3b climatronic. Probl. med pressostat/trykføler

Alt vedr. klima, aircondition o.lign
Besvar
Allanxx
Medlem
Indlæg: 1329
Tilmeldt: 13. jun 2008, 17:49
Geografisk region: Vestjylland
VCDS ejer: Ja
Has thanked: 35 times
Been thanked: 31 times

Passat 3b climatronic. Probl. med pressostat/trykføler

Indlæg af Allanxx » 26. jun 2009, 01:05

Vi har bøvlet lidt med at få det til at virke idag, men jeg er lidt i tvivl om den pressostat er i stykker el. ej.
Jeg får ingen fejl med vcds længere og med tryk på anlægget kan vi ikke få kompressor til at køre.
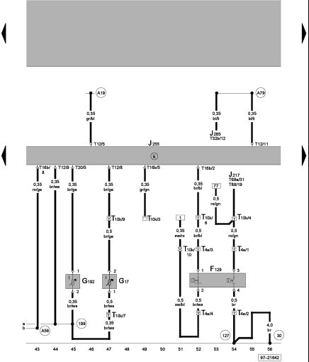
Er der en der kan fortælle mig hvilke af de 4 ledninger jeg kan luse så vi kan finde ud af om relæet slutter
Pressostat 8D0 959 482 B

Brugeravatar
hestech
Medlem
Indlæg: 1254
Tilmeldt: 13. jun 2008, 23:04
Geografisk region: Vestjylland
VCDS ejer: Ja
Geografisk sted: Syd-Vestjylland
Has thanked: 0
Been thanked: 0

Re: Passat 3b climatronic. Probl. med pressostat/trykføler

Indlæg af hestech » 26. jun 2009, 08:41

T4e/1 og T4e/2
Vedhæftede filer
Image1.jpg
Image1.jpg (26.89 KiB) Vist 761 gange

Allanxx
Medlem
Indlæg: 1329
Tilmeldt: 13. jun 2008, 17:49
Geografisk region: Vestjylland
VCDS ejer: Ja
Has thanked: 35 times
Been thanked: 31 times

Re: Passat 3b climatronic. Probl. med pressostat/trykføler

Indlæg af Allanxx » 26. jun 2009, 12:36

Det fatter jeg hat af.
Når jeg piller stikket af får jeg heldigvis fejl på trykkontakt, og hvis jeg luser 1 & 2 så får jeg ingen fejl men relæet klikker stadig ikke. Og hvis man går ind i avanceret måleblokke skriver den at magnetkobling ikke aktiv pga. for højt tryk??

Besvar

Tilbage til "Klima/Aircon"